Skip to content Skip to sidebar Skip to footer

Honda Gx620 Charging System Diagram

Honda Gx620k1 Overcharging The Battery To Over 16vdc My Tractor Forum

Honda Gx620k1 Overcharging The Battery To Over 16vdc My Tractor Forum

Honda gx620 charging system diagram. Many cars trucks and moto. The two gray wires are from the charge coils and they are AC. Per the wiring diagram the two gray wires go to the charge coil.

Many individuals searching for details about honda gx160 carburetor parts diagram and definitely one. Isolate all loads from the battery before testing the charging system. Wiring Diagrams CONSUMER.

Please read it carefully before operating the engine. Install the auto throttle solenoid 1 and solenoid plate 2 on the solenoid stay 3 and loosely tighten the two special cap nuts 4. ZJ GROM IGNITION WIRE Honda Engines GXK1 QXW2 ENGINE.

Honda gx620 electric wiring wiring diagram basic. Honda part number H31710-ZJ1-812. Theres six wires on the regulator.

Wiring diagrams honda gx620 qad2 14zj11e2 parts lists engine talking tractors gx620k1 overcharging the battery owner s manual pdf engines txf2 jpn coil ignition for xl600r 1983 d usa charging system on a gx630 mt5 diagram wire harness low oil shutdown systems technical Tuneup Specifications Quick Reference Information Wiring Diagrams Honda Gx620 User Manual Page. Photo is of TW125 with the same engine. Honda GX610 GX620 GX670 Engine Parts.

Charging Page 2 of 3 Honda Engine Charging System. Note the connector styles to ID. WIRING DIAGRAM ELECTRIC START.

Interconnecting wire routes may be shown approximately where particular receptacles or fixtures must be on a common circuit. For Honda Gx610 Gx620 Gx670 10 Amp Charging Stator Coil Fits 18hp 20hp I Co24 Descriptions Photos And Diagrams Of Low Oil Shutdown Systems On Honda Engines Honda Gx630 Technical Manual Pdf Manualslib.

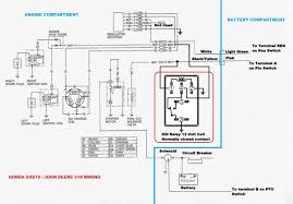
I Need Help Troubleshooting The Charging System On A Honda Gx630 With The 17amp Charging System It Only Has 6hrs On

I Need Help Troubleshooting The Charging System On A Honda Gx630 With The 17amp Charging System It Only Has 6hrs On

Cdn Powerequipment Honda Com

Cdn Powerequipment Honda Com

I Need Help Troubleshooting The Charging System On A Honda Gx630 With The 17amp Charging System It Only Has 6hrs On

I Need Help Troubleshooting The Charging System On A Honda Gx630 With The 17amp Charging System It Only Has 6hrs On

Ebook Databases

Ebook Databases

How To Wire Honda 16hp To Charge Batt Lawnsite Is The Largest And Most Active Online Forum Serving Green Industry Professionals

How To Wire Honda 16hp To Charge Batt Lawnsite Is The Largest And Most Active Online Forum Serving Green Industry Professionals

Gx610 Gx620 Gx670 Owner S Manual Manuel De L Utilisateur Manual Del Propietario Introduction 1 English Francais Espanol Safety Messages Pdf Descargar Libre

Gx610 Gx620 Gx670 Owner S Manual Manuel De L Utilisateur Manual Del Propietario Introduction 1 English Francais Espanol Safety Messages Pdf Descargar Libre

318 Charging Question Green Tractor Talk

318 Charging Question Green Tractor Talk

7790 Voltage Regulator Talking Tractors Simple Tractors

7790 Voltage Regulator Talking Tractors Simple Tractors

Descriptions Photos And Diagrams Of Low Oil Shutdown Systems On Honda Engines

Descriptions Photos And Diagrams Of Low Oil Shutdown Systems On Honda Engines

Honda Gx620 Maintenance Help Arbtalk The Social Network For Arborists

Honda Gx620 Maintenance Help Arbtalk The Social Network For Arborists

Manual Alternador Honda Gx610 Pdf Rectifier Fuse Electrical

Manual Alternador Honda Gx610 Pdf Rectifier Fuse Electrical

My Question Is I Have A 20hp Honda Twin V I Have A Problem On The Voltage Rectifer Which Wires Plugs In To Which Post

My Question Is I Have A 20hp Honda Twin V I Have A Problem On The Voltage Rectifer Which Wires Plugs In To Which Post

Coil Comp Ign For Xl600r 1985 F Usa Order At Cmsnl

Coil Comp Ign For Xl600r 1985 F Usa Order At Cmsnl

Honda Gx240 Gx270 Gx340 Gx390 Wiring Diagram Wiring Diagram Service Manual Pdf

Honda Gx240 Gx270 Gx340 Gx390 Wiring Diagram Wiring Diagram Service Manual Pdf

Charging System Wiring Diagram Youtube

Charging System Wiring Diagram Youtube

Gx670 Charging Issues Hobbyist Forums

Gx670 Charging Issues Hobbyist Forums

Electric Start And Charging System From An Old Generator

Electric Start And Charging System From An Old Generator

Cdn Powerequipment Honda Com

Cdn Powerequipment Honda Com

Honda Gx270 Electric Start Wiring Diagram And Honda Gx Wiring Wiring Schematic Diagram In 2021 Diagram Electrical Diagram Honda

Honda Gx270 Electric Start Wiring Diagram And Honda Gx Wiring Wiring Schematic Diagram In 2021 Diagram Electrical Diagram Honda

7790 Voltage Regulator Talking Tractors Simple Tractors

7790 Voltage Regulator Talking Tractors Simple Tractors

Honda Engines Shop Manuals Publications Honda Power Products Support Publications

Honda Engines Shop Manuals Publications Honda Power Products Support Publications

Gx610 Gx620 Gx670 Owner S Manual Manuel De L Utilisateur Manual Del Propietario Introduction 1 English Francais Espanol Safety Messages Pdf Descargar Libre

Gx610 Gx620 Gx670 Owner S Manual Manuel De L Utilisateur Manual Del Propietario Introduction 1 English Francais Espanol Safety Messages Pdf Descargar Libre

Gx620 Multipurpose Engine Manufactured By Honda Japan Dimension Download Scientific Diagram

Gx620 Multipurpose Engine Manufactured By Honda Japan Dimension Download Scientific Diagram

1

1

17 Honda Gx390 Engine Wiring Diagram Engine Diagram Wiringg Net Roof Trusses Elevation Floor Plans

17 Honda Gx390 Engine Wiring Diagram Engine Diagram Wiringg Net Roof Trusses Elevation Floor Plans

7790 Voltage Regulator Talking Tractors Simple Tractors

7790 Voltage Regulator Talking Tractors Simple Tractors

Gx610 Gx620 Gx670 Owner S Manual Manuel De L Utilisateur Manual Del Propietario Introduction 1 English Francais Espanol Safety Messages Pdf Descargar Libre

Gx610 Gx620 Gx670 Owner S Manual Manuel De L Utilisateur Manual Del Propietario Introduction 1 English Francais Espanol Safety Messages Pdf Descargar Libre

1988 318 With Honda Gx670 Wiring Help Weekend Freedom Machines

1988 318 With Honda Gx670 Wiring Help Weekend Freedom Machines

Engine Application Man Ual Honda

Engine Application Man Ual Honda

Lindec Com

Lindec Com

I Need The Wire Connections Page That Comes With The Rectifier For Honda Engine Gxv670 Mower Engine 24hp The Connection

I Need The Wire Connections Page That Comes With The Rectifier For Honda Engine Gxv670 Mower Engine 24hp The Connection

Gx630 Gx660 Gx690 Owner S Manual Manuel De L Utilisateur Manual Del Propietario Introduction 1 Espanol Safety Messages Pdf Descargar Libre

Gx630 Gx660 Gx690 Owner S Manual Manuel De L Utilisateur Manual Del Propietario Introduction 1 Espanol Safety Messages Pdf Descargar Libre

Honda Gxh50t Manuals Manualslib

Honda Gxh50t Manuals Manualslib

Gx240 Gx270 Gx340 Gx390 Pdf Descargar Libre

Gx240 Gx270 Gx340 Gx390 Pdf Descargar Libre

Can You Test The Stator Honda Foreman Forums

Can You Test The Stator Honda Foreman Forums

How To Repair A Voltage Rectifier Regulator Charging System Youtube

How To Repair A Voltage Rectifier Regulator Charging System Youtube

Tuneup Specifications Quick Reference Information Wiring Diagrams Honda Gx620 User Manual Page 18 58

Tuneup Specifications Quick Reference Information Wiring Diagrams Honda Gx620 User Manual Page 18 58

Honda Engines Gx620 Txf2 Engine Jpn Vin Gcad 1000001 To Gcad 1999999 Parts Diagram For Ignition Coil

Honda Engines Gx620 Txf2 Engine Jpn Vin Gcad 1000001 To Gcad 1999999 Parts Diagram For Ignition Coil

Gx610 Gx620 Gx670 Owner S Manual Manuel De L Utilisateur Manual Del Propietario Introduction 1 English Francais Espanol Safety Messages Pdf Descargar Libre

Gx610 Gx620 Gx670 Owner S Manual Manuel De L Utilisateur Manual Del Propietario Introduction 1 English Francais Espanol Safety Messages Pdf Descargar Libre

Car Truck Charging Starting Systems Regulator Rectifier Sh748aa Charging Module For Honda Gx620 Gx670 Gx690 Engine Motors

Car Truck Charging Starting Systems Regulator Rectifier Sh748aa Charging Module For Honda Gx620 Gx670 Gx690 Engine Motors

Honda Gx390 Charging System Hobbyist Forums

Honda Gx390 Charging System Hobbyist Forums

Cdn Powerequipment Honda Com

Cdn Powerequipment Honda Com

Gx610 Gx620 Gx670 Owner S Manual Manuel De L Utilisateur Manual Del Propietario Introduction 1 English Francais Espanol Safety Messages Pdf Descargar Libre

Gx610 Gx620 Gx670 Owner S Manual Manuel De L Utilisateur Manual Del Propietario Introduction 1 English Francais Espanol Safety Messages Pdf Descargar Libre

Harness Wire Charging System Gx270 To Gx390 10 Amp Rectifier

Harness Wire Charging System Gx270 To Gx390 10 Amp Rectifier

Charging System Wiring Diagram Youtube

Charging System Wiring Diagram Youtube

Harley Davidson Voltage Regulator Wiring Diagram Ori Fun Cosmetics

Harley Davidson Voltage Regulator Wiring Diagram Ori Fun Cosmetics

Powerproducts Honda Th Com

Powerproducts Honda Th Com

Harley Davidson Voltage Regulator Wiring Diagram Ori Fun Cosmetics

Harley Davidson Voltage Regulator Wiring Diagram Ori Fun Cosmetics

3

3

A electrical wiring design is a structured basic photo portrayal of an power circuit.

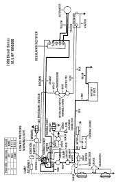
Also See for GX Owners manual - 60 pages sYSTEM WIRING DIAGRAMS A Charging systems WIRING DIAGRAMS 17A Charging systems Remote Control Throttle and Choke WIRING DIAGRAM 26A Charging system V-Belt Connections. With a dvm measure gray wire to gray wire reading should be 13-15v ac. 2 grays that connect to the charging coil a blackyellow that is supposed to connect to the fuel cut solenoid wire circuit a bluewhite that isnt used a white that goes through the key switch and has to be the DC charging wire. Honda GX610 GX620 GX670 Engine Parts. Honda Engines GX QXA ENGINE JPN VIN GCAD TO GCAD- Exploded View parts lookup by Found on Diagram. Were is the rectifier located on The wiring diagram is on page parts catalog to determine the engines charging system rated capacity. It shows the elements of the circuit as streamlined kinds as well as likewise the power in addition to signal hyperlinks in between the gadgets. Honda gx160 carburetor parts diagram here you are at our website. This manual contains information on how to do that.


ZJ GROM IGNITION WIRE Honda Engines GXK1 QXW2 ENGINE. It shows the elements of the circuit as streamlined kinds as well as likewise the power in addition to signal hyperlinks in between the gadgets. The Honda GX630 was made with a 27A 17A and 26A charging coil. Honda engine wiring talking tractors diagrams gx620 manual motor gx610 coil assy charge for pze a charging system on gx630 ignition switch to change in electrical circuit 420 small new 18hp 20hp gx670 v low oil shutdown systems engines. Per the wiring diagram the two gray wires go to the charge coil. Isolate all loads from the battery before testing the charging system. The unit is of poor quality new and only just provides enough power to charge the battery.

Post a Comment for "Honda Gx620 Charging System Diagram"