Skip to content Skip to sidebar Skip to footer

Stand Alone Turbo Oil System

Standalone Oil System Long Ish Advanced Tech Section

Standalone Oil System Long Ish Advanced Tech Section

Stand alone turbo oil system. Anyone have any pics of a stand alone turbo oil system. Friday May 01 2009 415 AM. Anyone have any pics of a stand alone turbo oil system.

Your premier source for information on the Turbo KA. To start viewing messages select the forum that you want to visit from the selection below. 95 240SX 99 BMW 540i 01 Chevy Express 14 Ford Escape.

- New OBR high quality engine wiring harness for our E8G controller and with standard Ford connectors for all sensors actuators coils and injectors. Just the pump alone is going to be in the 350-500 range. Looking for ideas and feedback on an idea ive had.

Another is to protect the turbo in the case of catastrophic engine failure. If playback doesnt begin shortly try restarting your device. My idea was to use a.

Self Contained Turbo Oil System For Remote Mount neverlift You can buy a complete setup for like 900. Search titles only. You may have to register before you can post.

Click the register link above to proceed. 60-100 seems slow especially for a tuned car. Make sure if youre shopping for a stand-alone engine management systems that youve got the right engine management sensors engine management harnesses and staged power packages.

I found them a few years back when I was looking to get into the turbo kit market. This will be a constant flow whether idling or full boosting.

Superdodge Initial Oil System Test Youtube

Superdodge Initial Oil System Test Youtube

Electric Oil Feed And Scavenge Pumps

Electric Oil Feed And Scavenge Pumps

Ls1 Com Gm Lsx Performance Forum

Ls1 Com Gm Lsx Performance Forum

Stand Alone Turbo Oil System Ls1gto Forums

Stand Alone Turbo Oil System Ls1gto Forums

Ls400 Remote Turbo Standalone Oil System Youtube

Ls400 Remote Turbo Standalone Oil System Youtube

My Custom Rear Mount Ls1tech Camaro And Firebird Forum Discussion

My Custom Rear Mount Ls1tech Camaro And Firebird Forum Discussion

Remote Mount Turbo Oiling System For Buick 3 8l V6 Grand National Turbo Saver Full Throttle Speed

Remote Mount Turbo Oiling System For Buick 3 8l V6 Grand National Turbo Saver Full Throttle Speed

Electric Oil Feed And Scavenge Pumps

Electric Oil Feed And Scavenge Pumps

Dedicated Turbo Oiling System Diy And Junkyard Turbo Tech

Dedicated Turbo Oiling System Diy And Junkyard Turbo Tech

Self Contained Oil System Homemadeturbo Diy Turbo Forum

Self Contained Oil System Homemadeturbo Diy Turbo Forum

Independant Oil System Lexus Toyota V8 Uzfe Forums

Independant Oil System Lexus Toyota V8 Uzfe Forums

Dedicated Turbo Oil System Ideas And Inputs Welcome Ls1tech Camaro And Firebird Forum Discussion

Dedicated Turbo Oil System Ideas And Inputs Welcome Ls1tech Camaro And Firebird Forum Discussion

Dedicated Turbo Oiling System Diy And Junkyard Turbo Tech

Dedicated Turbo Oiling System Diy And Junkyard Turbo Tech

How To Rear Mount Turbo Your Car Fastmaximas

How To Rear Mount Turbo Your Car Fastmaximas

Sts Separate Turbo Oil System Qs Ls1tech Camaro And Firebird Forum Discussion

Sts Separate Turbo Oil System Qs Ls1tech Camaro And Firebird Forum Discussion

Electric Oil Feed And Scavenge Pumps

Electric Oil Feed And Scavenge Pumps

Building A Better Beer Can Turbo Oil Sump Tank Pelican Parts Forums

Building A Better Beer Can Turbo Oil Sump Tank Pelican Parts Forums

Dedicated Turbo Oiling System Diy And Junkyard Turbo Tech

Dedicated Turbo Oiling System Diy And Junkyard Turbo Tech

Rearmount Turbo Return Oil System Potential Solution Youtube

Rearmount Turbo Return Oil System Potential Solution Youtube

What About A Self Contained Oil System For A Remote Turbo Performancetrucks Net Forums

What About A Self Contained Oil System For A Remote Turbo Performancetrucks Net Forums

Pelican S Perch 32 Those Fire Breathing Turbos Part 2 Avweb

Pelican S Perch 32 Those Fire Breathing Turbos Part 2 Avweb

Lexus Ls400 1uz Fe Turbo Kit Lexus Toyota Uzfe V8 Performance Engine Forum

Lexus Ls400 1uz Fe Turbo Kit Lexus Toyota Uzfe V8 Performance Engine Forum

Guideline Of The Several Sump Pumps Colleekvf

Guideline Of The Several Sump Pumps Colleekvf

Self Contained

Self Contained

Another Remote Mount Turbo System Page 3 Third Generation F Body Message Boards

Another Remote Mount Turbo System Page 3 Third Generation F Body Message Boards

How To Rear Mount Turbo Your Car Fastmaximas

How To Rear Mount Turbo Your Car Fastmaximas

Rear Mount Turbo Setup Oil Return Pump Suggestions Ls1tech Camaro And Firebird Forum Discussion

Rear Mount Turbo Setup Oil Return Pump Suggestions Ls1tech Camaro And Firebird Forum Discussion

Standalone Oil System Long Ish Advanced Tech Section

Standalone Oil System Long Ish Advanced Tech Section

Rear Mount Turbo Oil Supply And Return Corvetteforum Chevrolet Corvette Forum Discussion

Rear Mount Turbo Oil Supply And Return Corvetteforum Chevrolet Corvette Forum Discussion

Water Cooling For Your Turbo Main Benefits Garrett Motion

Water Cooling For Your Turbo Main Benefits Garrett Motion

Welcome To Stav Tech Stav Tech

Welcome To Stav Tech Stav Tech

Rear Mounted Turbo Neons Org

Rear Mounted Turbo Neons Org

5 3 Rear Mount Turbo Page 2 S 10 Forum

5 3 Rear Mount Turbo Page 2 S 10 Forum

Iag Stock Location Turbo Oil Feed And Avcs Line Rallysport Direct

Iag Stock Location Turbo Oil Feed And Avcs Line Rallysport Direct

Turbocharger Bearing Lubrication System Dieselship

Turbocharger Bearing Lubrication System Dieselship

What S Good And Bad About Rear Mounted Turbochargers

What S Good And Bad About Rear Mounted Turbochargers

Lexus Toyota V8 Turbo Supercharger Oil System Lexus Toyota Uzfe V8 Performance Engine Forum

Lexus Toyota V8 Turbo Supercharger Oil System Lexus Toyota Uzfe V8 Performance Engine Forum

Simpleshop18 Turbo Oil Drain Return Line Oil Feed Kit Universal Fit For T61 T3 Replace Shopee Brasil

Simpleshop18 Turbo Oil Drain Return Line Oil Feed Kit Universal Fit For T61 T3 Replace Shopee Brasil

N54 Turbo Oil Lines Set Oem E82 135i E9x 335i N54 E71 X6 35i E89 Z4 35i

N54 Turbo Oil Lines Set Oem E82 135i E9x 335i N54 E71 X6 35i E89 Z4 35i

Building A Better Beer Can Turbo Oil Sump Tank Pelican Parts Forums

Building A Better Beer Can Turbo Oil Sump Tank Pelican Parts Forums

The Turbocharger Oil And Gas Sealing System Garrett Motion

The Turbocharger Oil And Gas Sealing System Garrett Motion

Turbo Oil Feeding Kit Turboworks Engine Oil System Turboworks

Turbo Oil Feeding Kit Turboworks Engine Oil System Turboworks

Stand Alone Oil System For Turbo Youtube

Stand Alone Oil System For Turbo Youtube

Oil Consumption Caused By Unfavourable Operating Conditions For Turbocharger Technipedia Motorservice

Oil Consumption Caused By Unfavourable Operating Conditions For Turbocharger Technipedia Motorservice

Turbo Oil Return Drain Adaptor Gt30 Gt35 Engine Oil System Turboworks

Turbo Oil Return Drain Adaptor Gt30 Gt35 Engine Oil System Turboworks

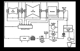
Lube Oil System For Turbo Generator Download Scientific Diagram

Lube Oil System For Turbo Generator Download Scientific Diagram

996 Twin Turbo Oiling System Upgrade Gbox Porsche Getrag Service

996 Twin Turbo Oiling System Upgrade Gbox Porsche Getrag Service

Turbo Oil Feed Line Warranty Recall Kia Optima Forums

Turbo Oil Feed Line Warranty Recall Kia Optima Forums

Rear Mount

Rear Mount

Rear mount turbo stand alone oil system.

Self Contained Turbo Oil System For Remote Mount neverlift You can buy a complete setup for like 900. Maybe a tempature based cooler by-pass like the oil cooler ones would be a good idea. Rather than add fittings remove the sump for an oil return ive been putting some thought toward a stand alone oil system to feed a turbo. DO NOT use this sensor with fuel as the sensor will damage due to corrosion over time. Anyone have any pics of a stand alone turbo oil system. You can also fill out our solar sizing form for a. Our standard complete stand alone solar power systems can be easily designed for almost any industrial telecom oil and gas or other application. I found them a few years back when I was looking to get into the turbo kit market. To start viewing messages select the forum that you want to visit from the selection below.


When was your last carbon clean. Hiw to do that on a street car Im not sure. I found them a few years back when I was looking to get into the turbo kit market. The stock car was measured at 65s to 68s from 60-100 back in the day. Oil Pressure Volume Requirements TurboSuper Charger Tech. This system sould consist of. I cant seem to find a link right now though.

Post a Comment for "Stand Alone Turbo Oil System"